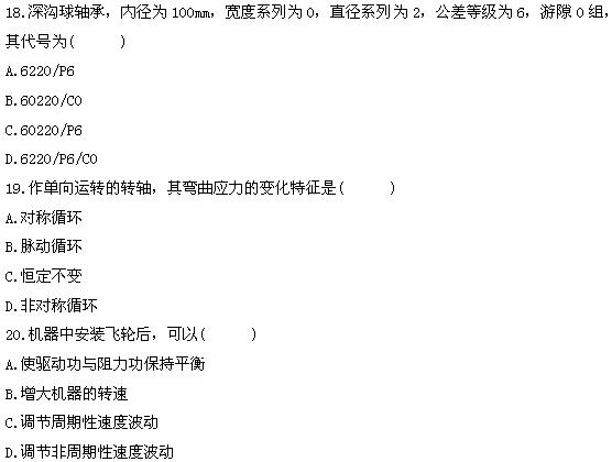
全国2011年4月高等教育自学考试机械设计基础试题
编辑整理:上海自考网 发布时间:2018-05-24 阅读量:次









本文标签:上海自考 工学类 全国2011年4月高等教育自学考试机械设计基础试题
转载请注明:文章转载自(hhttp://www.shzkw.net/)
⊙小编提示:添加【上海自考网】招生老师微信,即可了解2024年上海自考政策资讯、自考报名入口、准考证打印入口、成绩查询时间以及领取历年真题资料、个人专属备考方案等相关信息!

添加“上海自考网”招生老师微信
在线咨询报名报考等相关问题
上海自考网声明:
1、由于各方面情况的调整与变化,本网提供的考试信息仅供参考,考试信息以考试院及院校官方发布的信息为准。
2、本网信息来源为其他媒体的稿件转载,免费转载出于非商业性学习目的,版权归原作者所有,如有内容与版权问题等请与本站联系。联系邮箱:952056566@qq.com
相关《全国2011年4月高等教育自学考试机械设计基础试题》的文章
上海自考便捷服务
上海自考微信交流群
扫码加入[自考交流群]



